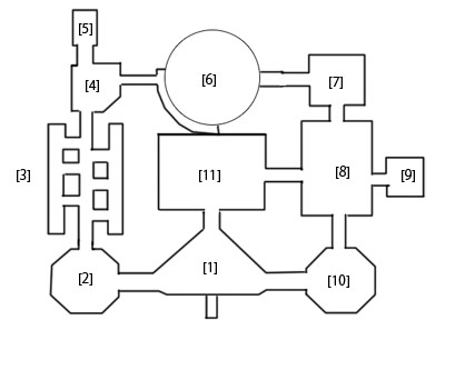
ゲルドの修練場

ゲルドの砦で大工4人を救出した後に、入れるようになります。
ゲルドの砦の部屋にはそれぞれ小さなカギがあり、9本のうち7本集めれば
ゲルド族の宝「氷の矢」を入手できます。

マップイメージ
ゲルドの修練場.jpg

ダンジョン攻略チャート

[1] 目のスイッチを矢で射ると矢の束とルピーの宝箱が現れる。
中央で嵐の歌を演奏すると妖精が現れる。

[2]時間内に すべての敵を 葬るべし!

1分以内に二体のスタルフォスを倒す。
デクの実を使うと一瞬気絶させることができる。

[3]しかけられたワナを 超え、すべての 白き宝石を 集めよ!

1分30秒以内に5個の銀クリスタルを取る。

部屋に入ったら左折して一つ目。
岩が転がってくる坂道をまっすぐ登って二つ目。
折り返して左折し、中央の通路から南へホバーブーツを履いて進み、三つ目。
降りた場所から左へフックショット→前進→右折し、四つ目。
フックショットで入り口上へ飛び、五つ目。

[4]持たざる者は 永遠のナゾに 苦しむべし

敵を全て倒し、まことのメガネでドアの上を見ると穴が開いているのでフックショットで入る。
スイッチを押すと[5]にいけるので、前にある巨大ブロックを押して先に進む。

[5]

ライクライクを3匹倒す。
ライクライクのいた場所に宝箱が出る。
まことのメガネを使ってしか見えない宝箱に鍵が入っている。

[6]石像の目を すべて 射抜け!

中央の石像がある足場に乗って、至近距離から目を四つ撃ち抜くやり方がおすすめ。
小さなカギの入った宝箱が中央の足場に出現するので入手する。
また上の扉が開くので、わざと溶岩に落ちて上に移動する。
(中央に降りる前にカカシを呼んでおくのも良い)
南側へ回ってドアの先の小さなカギを入手する。

[7]かくされた通路の ナゾを解け!

敵を全て倒すと[8]にいける。
石像の裏の目のスイッチを矢で射ると[6]へいける。

石像をメガトンハンマーでダルマ落としのように叩く。
床スイッチを押すと中央の宝箱から小さなカギを入手できる。

[8]炎の海を 乗り越えよ!

銀のクリスタルを5つ集める。ホバーブーツやフックショットを駆使する。
一つはスイッチを押した後、炎が消えている間に取る。
スイッチがある付近で時の歌を演奏するとブロックが現れて、上に登るとカギを入手できる。

[9]水にひそむ 白き宝石を 集めよ!

時の歌を演奏してブロックを消す。
ヘビィブーツを履いて水に入り、敵を処理してクリスタルを集める。
ロングフックを使うか、いつものブーツ→ヘビィブーツ→いつものブーツに履き替えて微調整しながら取る。

[10]時間内に すべての敵を 葬るべし!

1分30秒以内にダイナフォス2体とビーモス1体を倒すとカギを入手できる。
[1]と同じくデクの実を使うと良い

[11]我らの宝 手にしたければ 各部屋に隠された カギを集めよ!

部屋に入って左の扉から順番に開けていけば鍵の消費が7本ですむ。
最初の左の扉を開けて金網がある場所をまことのメガネで見ると穴が開いているので登る。
登ると[6]のフェンス越しの場所に出てくる。小さなカギを入手できる。

右を開けるとカギ二個を消費して[8]につながる。

中央の宝箱から「氷の矢」を入手してクリア



トップ   新規 一覧 検索 最終更新   ヘルプ   最終更新のRSS